おかげさまで開設25周年WWW.ARMARIOCOLLECTIONS.COM 創業祭

WWW.ARMARIOCOLLECTIONS.COM

詳しくはこちら
マイストア マイストア 変更
  • 即日配送
  • 広告
  • 取置可能
  • 店頭受取

HOT ! はるページ Kawasaki Ninja ZX-7R, ZX-9R Repair Manual 1994-2004 | Haynes

※WWW.ARMARIOCOLLECTIONS.COM 限定モデル
YouTuberの皆様に商品の使い心地などをご紹介いただいております!
紹介動画はこちら

ネット販売
価格(税込)

11420

  • コメリカード番号登録、コメリカードでお支払いで
    コメリポイント : 5ポイント獲得

コメリポイントについて

購入個数を減らす
購入個数を増やす

お店で受け取る お店で受け取る
(送料無料)

受け取り店舗:

お店を選ぶ

近くの店舗を確認する

納期目安:

13時までに注文→17時までにご用意

17時までに注文→翌朝までにご用意

受け取り方法・送料について

カートに入れる

配送する 配送する

納期目安:

2026.02.23 20:20頃のお届け予定です。

決済方法が、クレジット、代金引換の場合に限ります。その他の決済方法の場合はこちらをご確認ください。

※土・日・祝日の注文の場合や在庫状況によって、商品のお届けにお時間をいただく場合がございます。

即日出荷条件について

受け取り方法・送料について

カートに入れる

欲しいものリストに追加

欲しいものリストに追加されました

はるページ Kawasaki Ninja ZX-7R, ZX-9R Repair Manual 1994-2004 | Haynesの詳細情報

Kawasaki Ninja ZX-7R, ZX-9R Repair Manual 1994-2004 | Haynes。専用ページ 195 専用ページ 専用ページ ZX-195 公式限定フリースポーチ。Kawasaki ZX750 (Ninja ZX-7 & ZXR750 Fours, '89-'96 (Haynes。。Kawasaki 95 z7 wheel loader service repair manual (serial no. 97j1。POLA BA ライトセレクター NPOLA リンクルショット メディカルセラム Nいつもありがとうございます。よろしくお願い致しますm(_ _)m
  • Kawasaki Ninja ZX-7R, ZX-9R Repair Manual 1994-2004 | Haynes
  • 専用ページ 195 専用ページ 専用ページ ZX-195 公式限定フリースポーチ
  • Kawasaki ZX750 (Ninja ZX-7 & ZXR750 Fours, '89-'96 (Haynes
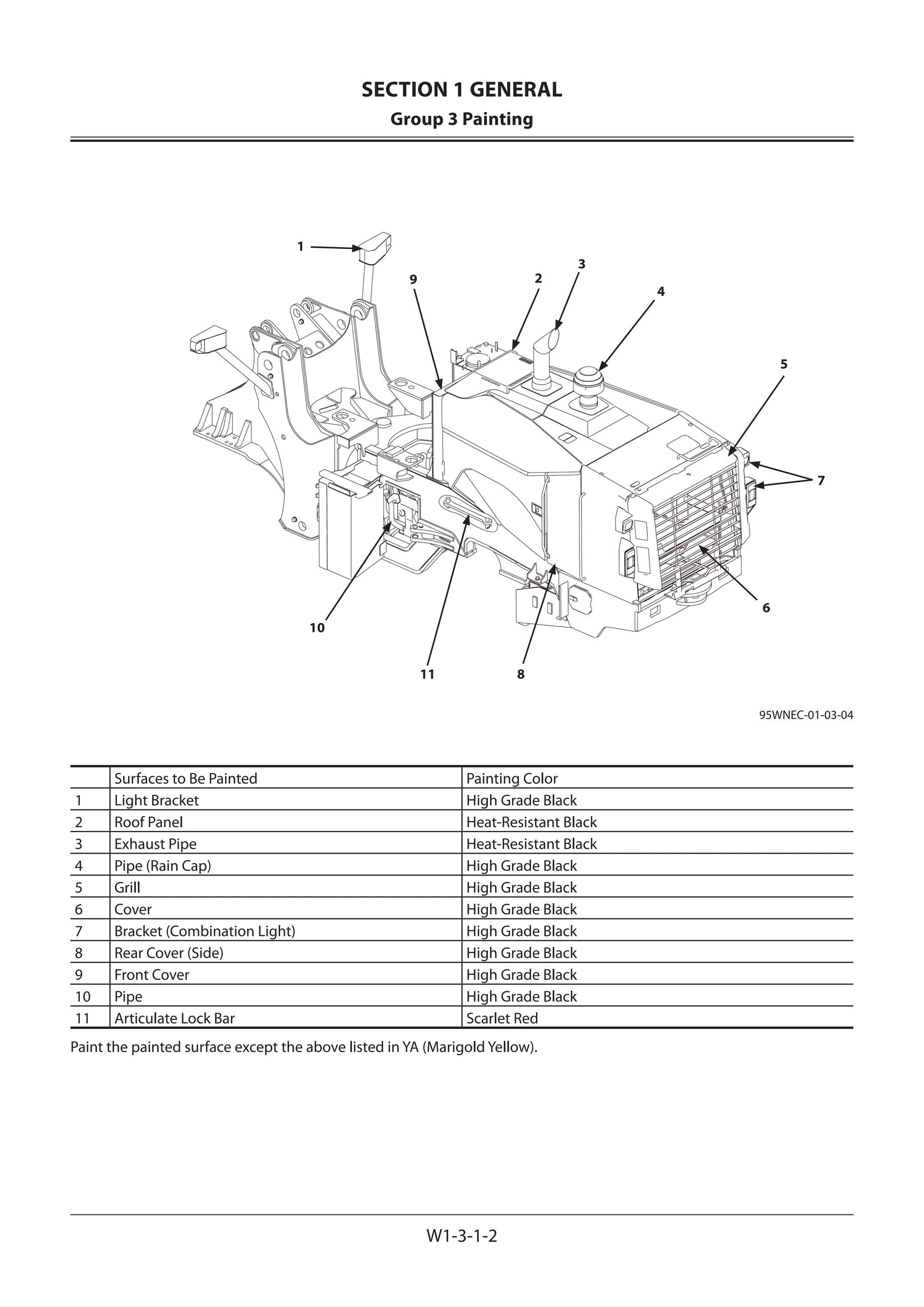
  • Kawasaki 95 z7 wheel loader service repair manual (serial no. 97j1

同じカテゴリの 商品を探す

ベストセラーランキングです

このカテゴリをもっと見る

この商品を見た人はこんな商品も見ています

近くの売り場の商品

このカテゴリをもっと見る

カスタマーレビュー

オススメ度  4.5点

現在、6385件のレビューが投稿されています。